Beschreibung
Gies-O-Shield – Arduino Shield für automatische Bewässerung
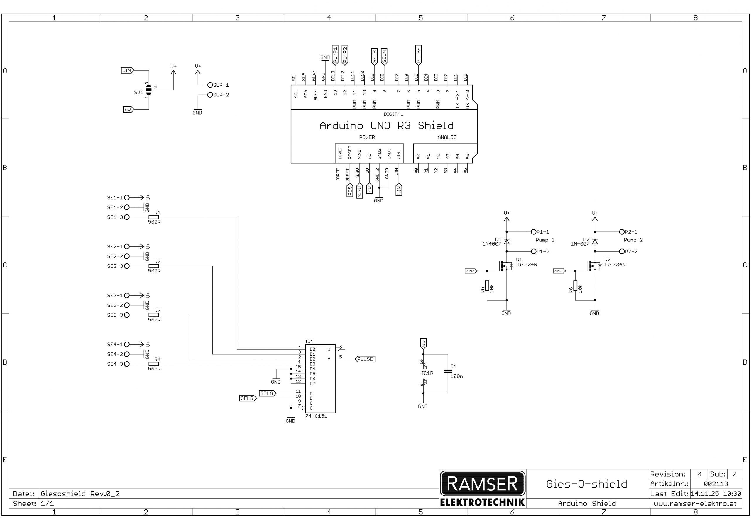
Das Gies-O-Shield ist ein spezialisiertes Erweiterungsboard für Arduino-Controller,
konzipiert für automatische Bewässerungssysteme mit sensorbasierter Steuerung.
Mit diesem Shield lassen sich 2 Aktoren wie Pumpen oder Magnetventile zuverlässig ansteuern
und in intelligente Bewässerungs-, Klima- und Gartenautomationslösungen integrieren.
Produktbeschreibung
Der Gies-O-Shield erweitert Arduino-Plattformen um eine robuste, schaltfeste Schnittstelle
zwischen Mikrocontroller-Logik und realer Aktorik für Bewässerungsanwendungen. Er unterstützt
direkt die Anbindung von Bodenfeuchtesensoren, wie dem Gies-O-mat Sensor,
und ermöglicht das sichere Schalten von Relais, Ventilen oder Kleinpumpen.
Durch den modularen Aufbau als Shield entfällt aufwendiges Verdrahten – die Hardware wird
einfach auf ein Arduino Uno Board gesteckt und ist sofort einsatzbereit.
Mit dem Gies-O-Shield wird aus einem Arduino-Board eine vollwertige,
automatische Bewässerungssteuerung.
Ttechnisch durchdacht, einfach zu integrieren und zuverlässig im Dauerbetrieb.
Warum Gies-O-Shield?
- Direkte Steuerung von Bewässerungskomponenten ohne zusätzliche Treiber
- Sensorische Steuerung über Gies-O-mat Bodenfeuchtesensoren
- Perfekte Ergänzung für automatische Garten- und Pflanzenbewässerung
- Einfacher Aufbau als Plug-and-Play Shield für Arduino
- Zuverlässiger Betrieb auch über längere Einsatzzeiten
- Freies Arduino Sketch ist in unserer Download Sektion.
Hauptmerkmale und Anwendungsbereiche
- Automatisierte Garten- und Pflanzenbewässerung
- Gewächshaus-Klima- und Bewässerungssysteme
- IoT-Projekte mit Sensorik und Aktorik
- Bildungs- und Workshop-Projekte im Bereich Automation
- Prototypen und Produktentwicklung mit Gies-O-mat Bodenfeuchtesensoren
- Shield-Formfaktor für Arduino Uno
- Trennung zwischen Mikrologik und Leistungsstufen
- Ideal für Gewächshaus- und Gartenautomationssysteme
Technische Details
- Versorgungsspannung: 5 V über Arduino
- 2 Ausgänge: Leistungsausgänge ausgelegt für externe Lasten
- Versorgungssannung für Leistungsausgänge wählbar (intern oder über Klemmen)
- 4 Eingänge für Gies-O-mat Bodenfeuchtesensoren
- Kompatibilität: Arduino Uno und kompatible Boards
- Bauform: Arduino Shield
Systemintegration
Der Gies-O-Shield funktioniert als integraler Bestandteil eines automatisierten Bewässerungssystems.
In Kombination mit dem kapazitiven Gies-O-mat Sensor lassen sich Feuchtewerte direkt auslesen und in Automatismen über die Arduino-Firmware umsetzen.
Zusammen mit programmierter Logik (PWM, Schwellwert-Trigger, Timer) entsteht eine flexible, robuste Steuerungsplattform für Pflanzen- und Gewächshaus-Projekte.
Varianten
Wähle zwischen folgenden Ausführungen:
- Bausatz: Enthält alle erforderlichen Bauteile zum Löten eines funktionsfähigen Moduls.
- Leerplatine: Nur die Leiterplatte – Bauteile sind nicht enthalten und müssen separat bezogen werden.
→ Ideal für eigene Bestückung

















