Der Gies-O-mat ist ein kapazitiver Bodenfeuchtesensor zur zuverlässigen Erfassung der Erdfeuchte. Er wurde speziell für den langfristigen Einsatz in automatischen Bewässerungssystemen entwickelt.
Inhaltsübersicht
- Aufgabenstellung
- Umsetzung und Sensorkonzept
- Messtechnik und Funktionsprinzip
- Funktionsweise des Oszillators
- Schaltung und Integration
- Zusammenbau

Aufgabenstellung
Konventionelle, resistive Bodenfeuchtesensoren sind stark korrosionsanfällig und liefern langfristig unzuverlässige Messwerte.
Gesucht wurde daher ein Sensor, der:
- ohne Elektrodenkorrosion auskommt
- dauerhaft im Boden verbleiben kann
- stabile und reproduzierbare Messwerte liefert
- einfach mit Mikrocontrollern oder SPS auswertbar ist
- Integrierten Spannungsregler für IC Versorgung
Umsetzung und Sensorkonzept
Der Gies-O-mat arbeitet nach dem kapazitiven Messprinzip.
Dabei wird nicht der elektrische Widerstand, sondern die dielektrische Eigenschaft des Bodens ausgewertet.
Die Sensorfläche bildet einen Kondensator, dessen Kapazität sich abhängig vom Wassergehalt der Erde verändert.
Der Sensor ist unbeschichtet ausgeführt und eignet sich dadurch ideal für Experimente, Kalibrierungen und kundenspezifische Anpassungen.
Das Ergebnis ist ein verschleißfreies, langzeitstabiles Messverfahren, ideal für automatische Bewässerungssysteme.
Messtechnik und Funktionsprinzip
Die Bodenfeuchte beeinflusst die effektive Kapazität des Sensors.
Je feuchter der Boden, desto höher die Kapazität zwischen den Sensorflächen (OSC1 und OSC2).
Je trockener der Boden, desto geringer die Kapazität.
Da ein RC‑Oszillator verwendet wird, ändern sich die Lade- und Entladezeiten des Kondensators – und damit die Oszillatorfrequenz.

Frequenzabhängigkeit
Die Frequenz ergibt sich aus der Periodendauer t:
f = 1 / t
Für Schmitt‑Trigger‑Oszillatoren gelten folgende Näherungsformeln:
HC‑Typen: f = 1 / (0.8 · R · C)
HCT‑Typen: f = 1 / (0.67 · R · C)
Damit gilt: Je größer die Kapazität (feuchter Boden), desto kleiner die Frequenz.
Je kleiner die Kapazität (trockener Boden), desto höher die Frequenz.
Funktionsweise des Oszillators (74HC14D)
Der 74HC14 enthält invertierende Schmitt‑Trigger‑Gatter.
Diese besitzen eine obere und eine untere Schaltschwelle und eignen sich ideal für RC‑Oszillatoren.
Die Sensorflächen OSC1 und OSC2 bilden den Kondensator.
Ausgang von IC1D ist HIGH (≈ 5 V DC)
Der Eingang von IC1D liegt auf LOW.
Durch die Invertierung gibt IC1D am Ausgang 5 V aus.
Über R3 wird der Sensor‑Kondensator aufgeladen.
Die Spannung am Kondensator steigt langsam an.
Erreichen der oberen Schaltschwelle
Die Kondensatorspannung erreicht die obere Schaltschwelle.
IC1D kippt um und der Ausgang geht auf LOW.
Ausgang von IC1D ist LOW
Der Kondensator wird über R3 entladen.
Die Spannung sinkt langsam ab.
Erreichen der unteren Schaltschwelle
Die Spannung fällt unter die untere Schaltschwelle.
IC1D kippt erneut und der Ausgang geht wieder auf HIGH.
Ergebnis
Der Zyklus aus Aufladen → Schaltschwelle → Entladen → Schaltschwelle wiederholt sich ständig.
Die Periodendauer hängt direkt von der Kapazität ab:
Hohe Kapazität (feuchter Boden): langsameres Laden/Entladen → niedrigere Frequenz
Niedrige Kapazität (trockener Boden): schnelleres Laden/Entladen → höhere Frequenz
Damit wird die Bodenfeuchte über die Frequenz messbar.
Schaltung und Integration
Der Gies-O-mat Sensor kann direkt an digitale Eingänge von Arduino-, Mikrocontroller- oder SPS Systemen angeschlossen werden.
In Kombination mit dem Gies-O-Shield entsteht ein vollständiges, modulares Bewässerungssystem.
Der einfache elektrische Aufbau ermöglicht eine schnelle Integration in bestehende Steuerungskonzepte.


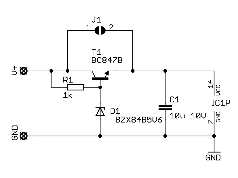
Direkte 5V DC Versorgung:

Der Sensor kann auch direkt mit 5V DC versorgt werden.
Dadurch wird der Linearregler auf der Platine nicht benötigt.
Der T1,R1 und D1 dürfen dazu nicht bestückt werden.
Zusammenbau
Wie immer bei der Bestückung:
Die niedrigsten Bauteile zuerst, danach erst dann die Hohen. Ansonsten ist immer etwas im Weg !
• Schritt 1
Legen Sie alle Bauteile auf und überprüfen Sie sorgfältig, ob alle vollständig vorhanden sind.
• Schritt 2
Verlöten Sie die Bauteile, wie auf der Platine angegeben.

Viel Spass beim Löten 🙂
Die Platine des Gies-O-mat Sensors kann in unserem Shop bezogen werden.
Bei Wünschen und Anregungen könnt Ihr eueren Kommentar absetzen
