Gies-O-Shield – Arduino Shield für automatische Bewässerungssysteme

Das Gies-O-Shield ist ein leistungsfähiges Arduino-Shield zur Umsetzung automatischer und sensorgesteuerter Bewässerungssysteme. Es ermöglicht die direkte Ansteuerung von Ventilen, Pumpen oder Relais in Kombination mit externen Sensoren.

Inhaltsübersicht

Aufgabenstellung

Ziel war die Entwicklung einer robusten Steuerplatine, mit der sich Bewässerungsprozesse mit dem Gies-O-mat Sensor automatisieren lassen.
Die Lösung sollte:

  • Mit einem Arduino UNO kompatibel sein
  • Sensorwerte von 4 Gies-O-mat Sensoren auswerten
  • 2 Aktoren wie Magnetventile oder Pumpen sicher schalten
  • Für den Dauerbetrieb im Außen- oder Gewächshausbereich geeignet sein
  • Software Opensource mit Terminalfunktion
Arduino-kompatible Steuerplatine mit mehreren Anschlussklemmen und USB-Anschluss für elektronische Projekte.

Umsetzung und verwendete Hardware

Als zentrale Steuereinheit kommt ein Arduino Uno zum Einsatz.
Das Gies-O-Shield wird direkt aufgesteckt und erweitert den Arduino um folgende Funktionen:

  • 2 Leistungsausgänge zur Ventil- oder Pumpensteuerung
  • 4 Anschlussmöglichkeiten für externe Sensoren
  • Versorgungstrennung zwischen Logik und Last
  • Multiplexer um die Auswertung mit einem Pin zu realisieren

Durch die Shield-Bauform entfällt zusätzliche Verdrahtung, wodurch sich das System besonders für kompakte Installationen eignet.

Technische Umsetzung

Die Bewässerungslogik basiert auf der kontinuierlichen Erfassung von Sensordaten.
Unterschreitet die gemessene Bodenfeuchte einen definierten Schwellwert, aktiviert der Mikrocontroller den entsprechenden Ausgang.

Die Ausgänge sind so ausgelegt, dass auch induktive Lasten sicher geschaltet werden können. Schutzbeschaltungen verhindern Schäden durch Rückspannungen.

Die modulare Struktur ermöglicht es, das System sowohl in einem Terminalmodus als auch via serieller Schnittstelle zu bedienen.

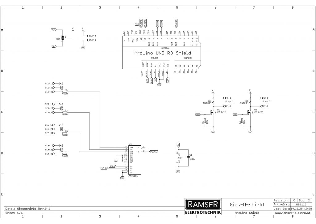
Schaltplan

Das Gies-O-Shield wird als Bausatz geliefert und kann einfach bestückt werden. Der Schaltplan ist übersichtlich aufgebaut und folgt einer klaren Trennung zwischen Logik- und Leistungsbereich.

Nach dem Aufstecken auf den Arduino sind lediglich die Sensoren und Aktoren anzuschließen. Zusätzliche Konfigurationen erfolgen softwareseitig.

https://www.ramser-elektro.at/shop/bausaetze-und-platinen/giesoshield-arduino-shield-fuer-automatische-bewaesserung/

Zusammenbau

Wie immer bei der Bestückung:
Die niedrigsten Bauteile zuerst, danach erst dann die Hohen. Ansonsten ist immer etwas im Weg !

• Schritt 1
Legen Sie alle Bauteile auf und überprüfen Sie sorgfältig, ob alle vollständig vorhanden sind.
TIP: Besonders kleine Bauteile können sich manchmal in der Verpackung oder anderen Bauteilen verstecken.
Durch vorsichtiges Schütteln der Verpackung oder der Bauteile lässt sich das versteckte Bauteil leicht entdecken.

Die Bestückung kann aus der „Bestückungshilfe“ herausgelesen werden:

• Schritt 2
Bestücken Sie zuerst die Widerstände R1,R2,R3,R4 (Widerstand 560R – Farbcodierung: Gn/Bu/Bk/Bk/Br), die beiden Freilaufdioden D1, D2 (Type: 1N4007 – Beschriftung: 1N4007) und den Pufferkerko C1 (Kapazität: 100 nF – Beschriftung: 104).

• Schritt 3
Verlöten Sie die Widerstände R5, R6 (Widerstand 10k – Farbcodierung: Br/Bk/Bk/Rd/Br) und den Multiplexer IC1 (Type: 74HC151 – Beschriftung: 74HC151).

ACHTUNG: Beachten Sie die Ausrichtung der IC-Sockel. Diese muss dem Bestückungsdruck auf der Platine entsprechen:

• Schritt 4
Bestücken Sie die zweipoligen Schraubklemmen P1,P2,P3 und die dreipoligen Schraubklemmen SE1,SE2,SE3,SE4.

• Schritt 5
Es werden noch die zwei N-Channel MOSFET Q1,Q2 (Type: IRLZ44N – Beschriftung: IRLZ44N) die Stiftleisten bestückt und das Shield ist fertig für die Inbetriebnahme.

Softwarefunktion des Gies-O-shields

Die Software des Gies-O-shields übernimmt die Erfassung der Sensorsignale, die Steuerung der beiden Ausgänge sowie die Kommunikation mit einem angeschlossenen PC oder der seriellen Ansteuerung.
Sie arbeitet in einem festen Sekundentakt und führt dabei alle notwendigen Mess‑ und Steueraufgaben automatisch aus.

Sensorerfassung

Die vier Bodenfeuchtesensoren werden über einen Multiplexer nacheinander mit dem internen Timer des Mikrocontrollers verbunden.
Nach einer kurzen Stabilisierungspause misst die Software die Frequenz des jeweils ausgewählten Sensors und speichert den Wert im internen Speicher.
Dieser Vorgang wird einmal pro Sekunde für alle Sensoren wiederholt.
Die ermittelten Frequenzen stehen anschließend sowohl für die automatische Ausgangssteuerung als auch für die Ausgabe an den PC zur Verfügung.

Ausgangssteuerung

Jeder der beiden Ausgänge kann unabhängig konfiguriert werden.
Die Software erlaubt die Zuordnung eines Sensors sowie die Einstellung von Ein‑ und Ausschalt‑Schwellwerten, die eine Hysterese bilden.
Wird der Einschaltwert überschritten, aktiviert die Software den Ausgang.
Fällt die Frequenz unter den Ausschaltwert, wird er deaktiviert.
Zusätzlich lassen sich Mindest‑Ein‑ und Mindest‑Aus‑Zeiten festlegen, die ein zu häufiges Schalten verhindern.
Während eine Mindestzeit aktiv ist, blockiert die Software weitere Schaltvorgänge.
Neben dem Automatikbetrieb stehen manuelle Betriebsarten zur Verfügung, in denen der Ausgang dauerhaft ein‑ oder ausgeschaltet bleibt.
Für den zweiten Ausgang existiert außerdem ein Modus, die dem exakten Zustand von Ausgang 1 folgt.

Bedienmodi

Das Shield kann im Terminalmodus oder im Konsolenmodus betrieben werden.
Im Terminalmodus sendet das Gerät jede Sekunde die aktuellen Sensorwerte und Ausgangszustände über UART an einen PC.
Der PC kann Konfigurationsbefehle im Format command;value; senden, um sämtliche Parameter auszulesen oder zu ändern.
Der genaue Syntax und die Funktion der Befehle ist HIER beschrieben.
Im Konsolenmodus erscheint ein textbasiertes Menü im seriellen Monitor.

Sensor 3 Console Ramser Elektrotechnik Webshop
Main Console Ramser Elektrotechnik Webshop

Über einfache Zahleneingaben können Sensorzuordnungen, Schwellwerte, Mindestzeiten und Betriebsarten eingestellt werden.
Nach jeder Eingabe wird das Menü automatisch aktualisiert.

Speicherung der Einstellungen

Alle Konfigurationsparameter werden dauerhaft im EEPROM abgelegt.
Beim Start prüft die Software, ob gültige Daten vorhanden sind, lädt diese oder setzt bei Bedarf Standardwerte.
Nach jeder Änderung werden die Werte gespeichert, wobei die Mindestzeiten zurückgesetzt werden, um einen definierten Startzustand sicherzustellen.

Ablauf der Software

Der Hauptablauf besteht aus dem regelmäßigen Erfassen der Sensoren, dem Herunterzählen der Mindestzeiten, der Steuerung der Ausgänge und der Auswertung eingehender Befehle.
Dadurch arbeitet das Shield vollständig autonom und reagiert zuverlässig auf die gemessenen Sensorwerte sowie auf Benutzereingaben.

Viel Spass beim Löten 🙂

Der Bausatz des Gies-O-shield kann in unserem Shop bezogen werden.

Bei Wünschen und Anregungen könnt Ihr eueren Kommentar absetzen

Schreibe einen Kommentar

Deine E-Mail-Adresse wird nicht veröffentlicht. Erforderliche Felder sind mit * markiert