Blitze mit einem Arduino NANO detektieren?
Leichte Anbindung an einen PC / Raspberry PI?
Schon vor einiger Zeit habe ich euch den Potzblitz Gewitterdetektor vorgestellt.
Kurz danach wurde ein Shield entworfen, dass zur Arduino Uno (oder kompatibel) Plattform kompatibel ist.
Auf Anfrage, wurde das Shield für den Arduino Nano (oder kompatibel ) adaptiert:

Überlegungen zu diesem Vorhaben:
- Physik: Wie kann ich einen Blitz / ein Gewitter detektieren?
- Hardware: Welche Voraussetzungen sollen erfüllt werden?
- Designen des Shields
- Zusammenbau des Shields
- Die Funktionsweise der Software
- FAQ
Physik: Wie kann ich einen Blitz / ein Gewitter detektieren?
Zunächst sollte man sich im klaren sein was ein Blitz ist, wie er entsteht und welche verschiedenen Arten es gibt.
Hierzu möchte ich nicht nur auf Wikipedia verweisen sondern auch auf Seiten, welche mir verschiedene Möglichkeiten aufzeigten, wie man das Problem mit der Detektierung angehen kann:
http://www.elektronik-labor.de/Projekte/Blitzwarner10.html
Wie sollte der Blitzdetektor arbeiten?
Entlädt sich ein Blitz, sendet dieser breitbandige Radiowellen aus, welche sich hauptsächlich im AM Band befinden.
AM lässt sich leicht verarbeiten. Im Grunde reicht eine Diode aus, um ein Audion zu bauen.
Ich bin immer ein Freund von bereits vorhandenen Schaltkreisen, da Diese auch nicht einfach mal so an einem Tag erfunden wurden und Ihre Berechtigung haben.
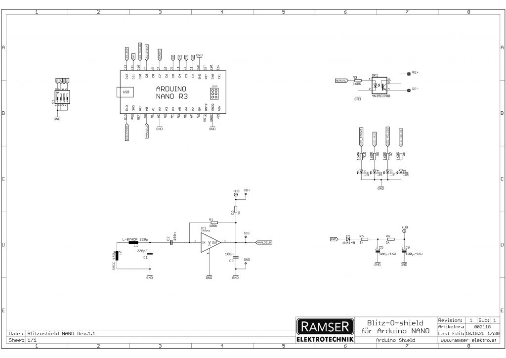
In diesem Projekt werden wir den AM Empfänger IC TA7642 benutzen, um die Nähe eines Gewitter zu ermitteln.

Dies erfolgt auf folgende Weise:
Die Funkwellen der Blitze werden vom TA7642 empfangen, vorverstärkt, demoduliert und verstärkt.
Danach wird der Ausgang auf den Analogeingang A0 des Arduino Nano geführt.
Dies ergibt pro Blitzentladung einen „Spannungeinbruch“ der Spannung am A0 Arduino Eingang, welche sich auswerten lässt.
Umso mehr „Spannungeinbrüche“ am Analogeingang, umso mehr Entladungen, umso näher das Gewitter.
Die Amplitude des Signals ist in diesem Projekt egal!

Beim Blitzwarner des Elektroniklabors wurde der normale Logiklevel des Portpins gewählt, um einen Interrupt auszulösen.
Bei meinem Blitzdetektor wird der ADC des Arduino verwendet.
Dadurch kann die PWM Dynamisierung für den AGC besser angepasst werden!
Die Verstärkung des TA7642 wird mittels geglätteter Spannung eines PWM Signals geregelt. Ja, richtig gelesen! Sie wird nicht gesteuert, sondern geregelt. Mehr dazu später.
Hardware: Welche Voraussetzungen sollen erfüllt werden?
Bei diesem Projekt soll ein standardmässiger Arduino Nano benutzt werden, der mittels Shield erweitert wird.
Dieses Blitz-O-Shield besitzt die ganze Hardware, um die Blitze bzw. Gewitter zu detektieren.
Die Arduino IDE ist Freeware und das Sketch kann auch frei heruntergeladen werden.
Designen des Shields
Am Anfang wird wieder ein Schaltplan gezeichnet und eine Platine designt.

Dann heisst es warten bis die Platinen eintreffen.
Sind die Platinen eingetroffen, kann mit der Bestückung begonnen werden.
Zusammenbau des Shields
Wie immer bei der Bestückung:
Die niedrigsten Bauteile zuerst, danach erst dann die Hohen. Ansonsten ist immer etwas im Weg !
• Schritt 1
Legen Sie alle Bauteile auf und überprüfen Sie sorgfältig, ob alle vollständig vorhanden sind.
TIP: Besonders kleine Bauteile können sich manchmal in der Verpackung oder anderen Bauteilen verstecken.
Durch vorsichtiges Schütteln der Verpackung oder der Bauteile lässt sich das versteckte Bauteil leicht entdecken.

Die Bestückung kann aus der „Bestückungshilfe“ herausgelesen werden:

• Schritt 2
Bestücken Sie zuerst die Widerstände R3,R7,R8,R9,R10 (Widerstand 160R – Farbcodierung: Br/Bu/Bk/Bk/Br).

• Schritt 3
Danach folgen die Widerstände R2,R5,R6 (Widerstand 1k – Farbcodierung: Br/Bk/Bk/Br/Br).

• Schritt 4
Dann können schon die LEDs LD1 (Farbe: Weiss),LD2 (Farbe: Grün),LD3 (Farbe: Gelb),LD4 (Farbe: Rot) die Kondensatoren C2,C3 (Kapazität: 100 nF – Beschriftung: 104) und die Diode D1 (Type: 1N4148 – Beschriftung: 1N4148) bestückt werden. Ebenso die Spule L2 (Induktivität: 150 µH – Farbcodierung: Br/Gr/Br/Go).

Der Pluspol der LEDs (Langer Draht) ist auf der Platine mit der Bezeichnung „LL“ gekennzeichnet.

• Schritt 5
Danach wird die zweite Spule L1, der AM Empfänger (Type: TA7642 – Beschriftung: TA7642) und der DIP Switch bestückt.
Gefolgt vom Widerstand R1 (Widerstand 100K – Farbcodierung: Br/Bk/Bk/Or/Br).
Achtung: Der Widerstand R1 muss vor dem Einlöten auf das richtige Rastermass 5,08mm gebogen werden.

• Schritt 6
Nun kann noch der Optokoppler OK1 (Type: 4N35 – Beschriftung: 4N35), der Kondensator C1 (Kapazität: 270 pF – Beschriftung: 271) und die beiden Elkos C5,C6 (Kapazität: 100 µF / 35 V) platziert werden.
Achtung: C5 wird liegend eingelötet.

• Schritt 7
Noch die Buchsenleisten und der Bausatz ist fertig montiert.

• Schritt 8
Euer Blitz-O-Shield Nano kann nun den Arduino Nano aufnehmen und softwaremässig in Betrieb genommen werden.


Die Software:
Sie kann natürlich wieder vollkommen frei in unserem Download Bereich downgeloaded werden und kann in der Arduino IDE geöffnet werden.
Die Funktionsweise der Software
Bei Start wird die Spannung des TA7642 so lange erhöht, bis eine gewisse Grundspannung am TA7642 anliegt.
Dies dient dazu, die Exemplarstreuung auszugleichen.
Anschliessend wird zyklisch ein laufender Mittelwert gebildet, um Störeinflüssen entgegenzuwirken.
Trifft ein Blitzevent auf (Spannung bricht am A0 ein), so wird einer Countervariable erhöht.
Nach einer gewissen Zeit wird der Wert natürlich wieder dekrementriert.
Abhängig vom Wert, werden die LEDs angesteuert.
Ihr seht, wie simple die Welt sein kann.
Viel Spass beim Löten und Blitz detektieren 🙂
FAQ
Für was ist der DIL Switch?
Der DIL Switch ist als reine Reserve konzipiert und kann von euch verwendet werden, für was immer ihr wollt.
In der Standardsoftware hat er keine Funktion.
Der Bausatz des Blitz-O-Shield Nano kann in unserem Shop bezogen werden.
TIPP:
Die Funktion kann mit unserem „Blitzsimulator“ Blitz / Gewittersimulator getestet werden.
Bei Wünschen und Anregungen könnt Ihr eueren Kommentar absetzen
